あなたは医療従事者の方ですか?
ここから先は医療従事者の方向けの情報となります。
医療従事者の方は「はい」を選んでお進みください。
※一般の方向けに情報提供を目的としたものではございませんのでご了承ください。

スマイリーGMプラス・Nプラスは、シンプルで使いやすい機能やデザインが特長のOSADAのスタンダードユニットです。
OSADAの長年の歴史や経験から生み出されたユニットは、使い勝手の良さはもちろん、ドクターの思い通りの診療を叶えます。



ユニットチェアは、最低位の低いコンタータイプ(GMシリーズ)と、前方からの乗り降りが可能なステップ付のステップ付足折れタイプ(Nシリーズ)の2タイプをご用意しました。
どちらもスピットン部と一体型で、スムーズに洗口ができます。
折り畳み式のアシスタントホルダーでアシスタントエリアを広く確保でき、ツーハンド診療・フォーハンド診療どちらも行いやすい設計です。
ひとりでもふたりでも、使い心地を追求し、理想の診療を実現します。
ワークテーブルは半胸上配置が行いやすいポジションまで可動します。
またインスツルメントホルダーとテーブルの距離を近づけて診療できるため、術者の腕の負担を軽減し、効率的に診療していただけます。
薄くて軽く、そして広いワークテーブルは
簡単に移動でき、作業スペースも十分確保できます。
また、アシスタントホルダーの距離をテーブルと近づけて、
一目でテーブルとアシスタントホルダーが見えるように。
スタッフの負担軽減はもちろん、快適な診療を実現します。
スピットンは内側に90°回転し洗口しやすくなります。
また、外側にも35°回転するため、アシスタントエリアを広く確保することができます。
陶器製の鉢は取り外して丸洗いができるため、メンテナンスの負担を軽減し、衛生的に保つことができます。
LEDライトをインスツルメントに標準搭載しており、快適で効率的な診療をサポートします。
フィルターを1箇所に集約し、毎日のメンテナンスを効率的に行っていただけます。
インスツルメントホース内、インスツルメントの水回路を30秒間流水して洗浄し、バクテリアの繁殖や水垢による水回路の詰まりを防止します。
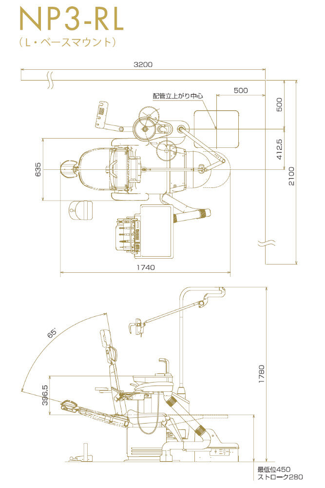
| 販売名(形式) | ■ オサダスマイリーGMプラス(GMP3-S/GMP3-MS) ■ オサダスマイリーNプラス(NP3-L/NP3-RL/NP3-ML) |
|---|---|
| 一般的名称 | 歯科用ユニット |
| 認証番号 | ■ オサダスマイリーGMプラス 222AHBZX00001000 ■ オサダスマイリーNプラス 222AHBZX00002000 |
| クラス分類 | 指定管理医療機器(クラスⅡ) 特定保守管理医療機器 設置管理医療機器 |
| 製造販売元 | 長田電機工業株式会社 |
| 電源 | ■ オサダスマイリーGMプラス 電源電圧 :交流100V 電源周波数:50/60Hz 電源入力 :7A ■ オサダスマイリーNプラス 電源電圧 :交流100V 電源周波数:50/60Hz 電源入力 :10A |
| 総質量 | ■ オサダスマイリーGMプラス GMP3-S :241.1kg GMP3-MS:246.1kg ■ オサダスマイリーNプラス NP3-L :211.1kg NP3-RL :213.5kg NP3-ML:216.1kg |
| 形態 | ■ オサダスマイリーGMプラス Sタイプ ■ オサダスマイリーNプラス Lタイプ |
| 最低位/最高位(ストローク) | ■ オサダスマイリーGMプラス 365-745mm(380mm) ■ オサダスマイリーNプラス 450-730mm(280mm) |
| バックレスト可動角 | ■ オサダスマイリーGMプラス オート:65°/手動:65° ■ オサダスマイリーNプラス オート:65°/手動:75° |
| 安頭台 | シニアタイプヘッドレスト(ストローク180mm) |
| チェア操作スイッチ | メモリーポジション2(M1/M2) 洗口位置復帰(A1) オートリターン(A2) ラストポジションメモリー(M&A) 上昇・下降、バックレスト寝起のマニュアルスイッチ |
| ワークテーブルストローク | オーバーアームタイプ(S/L):350-370mm ベースマウントタイプ(RL):140-150mm カートタイプ(MS/ML):80mm |
| スピットン部 | チェアーマウントタイプ センサ―カップフィラー 光触媒加工鉢 鉢の可動角:125°(内側:90°/外側:35°) |
| インスツルメントホルダー | 横置き式インスツルメントホルダー フリーポジションシステム |
| アシスタントホルダー | アーム可動範囲 :外側:90°/内側:5° ホルダー可動範囲:外側:90° |
| 無影灯 | LH-19S(4500K・5000K) 照度6,000-30,000Lx 把手取り外し可(オートクレーブ滅菌可) オートライティング機能 |
| フットコントローラー | 横レバー式フットコントローラー(チェアーコントローラー無) |
| 安全装置 | インスツルメント先取り優先回路 チェアロック装置 チェア緊急停止装置 |
| その他 | ユニット内回路洗浄装置 インスツルメント水回路洗浄装置 タービン馴らし回転装置 セントラルバキューム仕様(分離機無) マイコン制御 水フィルター(0.1μm装備) LEDライト搭載インスツルメント トルクコントロール搭載 |
| よくあるご質問 | ■ バックレストを大きくすることはできますか? オーダーメイド対応にて変更可能です。 バックレスト以外にもご要望がございましたら、診療スタイルに合わせてオーダーメイド対応が可能な場合がございます。 ※内容によってはご対応が難しいものもございます。まずはご相談ください。 ■ GMP3と NP3の違いとそれぞれのメリット・デメリットを教えてください。 【GMP3】 コンタータイプで水平診療がメインの先生向けです。 最低位が低いので小さなお子さまも乗り降りが楽に行えます。 診療中は足を伸ばした状態で座っていただけるので、長時間の診療でも疲れを感じにくいです。 一方、導入時に足を高く上げる必要があるため、ご高齢の患者さまは乗り降りしにくい場合がございます。 また、イスの動作が電動モータ駆動になりますので、油圧式と比べますと動作音、振動がございます。 【NP3】 ステップ付の足折れタイプのため、ご高齢の患者さまも乗り降りしやすく、うがいの際も姿勢が安定します。 またバックレストの前方への可動範囲が大きく、咬合調整時などアップライトポジションで対面での確認ができます。 イスの動作は油圧式のため、動作音が静かで振動も感じません。 一方、GMP3と比べ最低位が高いため小さなお子さまは乗り降りしにくい場合がございます。 ■ カートホースはテーブルの動きの妨げになるのでは? カートホースは床下配管にすることも可能です。 ※詳細についてはお問い合わせ下さい。 ■ インスツルメントの互換性について教えてください。 タービン、マイクロエンジンは国際規格のため互換性がございます。 シリンジと超音波スケーラーはOSADA独自の規格のため互換性はございません。 ■ 実物を見ることはできますか? OSADAショールームにてご覧いただけます。 ※スマイリープラスをご覧いただけるショールームについて詳しくはお問い合わせ下さい。 |